Kapazität
Auszüge des Handbüchleins "Elektrische und wärmetechnische Messungen" der Firma Hartmann & Braun AG Frankfurt/Main, 2. Auflage, 1941 (H&B Druckschrift 481a / 20.000 / 6.41). Entsprechend UrhG §66 ist die Schutzfrist inzwischen abgelaufen (Stand von 2012), der Inhalt ist daher gemeinfrei. Das gescannte Büchlein findet sich im Abschnitt Schrifttum als PDF Datei.
Einheit: Farad (F). 1O^-6 F = 1 µF (Mikrofarad); 1O^-12 F = 1 pF (Picofarad); 1 F = 9 • 10^11 cm (elektrostatische Einheiten).
Strom- und Spannungsmessung
Wird an die Kapazität C die Wechselspannung U von der Frequenz f angelegt, so beträgt der Ladestrom
I = U * 2 π f * C (Ampere)
Wird I in Ampere, U in Volt und f in Hertz gemessen, so ist
C = I / ( 2 π f * U) (Farad)
Diese Beziehungen gelten exakt nur bei sinusförmigem Wechselstrom und bei reinen Kapazitäten (verlustfreien Kondensatoren).
Zur Messung der Spannung wird ein elektrostatischer Spannungsmesser verwendet, dessen Eigenkapazität jedoch sehr klein im Verhältnis zu C sein muß, damit das Meßergebnis genügend genau wird.
ballistisches Galvanometer
Im Bild 30 ist Cx die unbekannte, zu messende Kapazität, G ein ballistisches Galvanometer, u ein Umschalter. Auf Stellung 1 des Umschalters wird die Kapazität bei einer Spannung U geladen. In Stellung 2 wird Cx über das ballistische Galvanometer entladen. Ist a der Zeigerausschlag des Galvanometers und Cb die ballistische Galvanometer-Konstante, so ist:
Cx = (cb * a ) / U (Farad)
Die Messung der unbekannten Kapazität Cx kann auch durch Vergleich mit einer bekannten Kapazität C durchgeführt werden. Jede der beiden Kapazitäten wird wie oben bei der Spannung U geladen und über das ballistische Galvanometer entladen. Sind die beiden Zeigerausschläge a und ax, so gilt:
Cx = C * ( ax / a) (Farad)
Kapazitäts-Meßbrücke
In Bild 31 sind R1 und R2 induktions- und kapazitätsfreie, regelbare Widerstände, C ist eine bekannte, Cx die unbekannte, zu messende Kapazität, G ein Wechselstrom- Nullgerät (Telefonhörer oder Vibrations- Galvanometer). Der regelbare Widerstand R3 soll vorläufig unberücksichtigt bleiben. Die Messung wird mit Wechselstrom durchgeführt, der in der Regel aus einem Sammler oder einer Taschenlampen-Batterie über einen Summer erzeugt wird.
Werden die Widerstände R1 und R2 so eingeregelt, daß im Nullgerät kein Strom mehr fließt, so ist:
Cx / C = R2 / R1 oder Cx = c * (R2 / R1)
Der regelbare Widerstand R3 (Phasen-Abgleichwiderstand) dient dazu, scharfe Einstellung des Stromminimums im Nullgerät zu erzielen, wenn die zu messenden Kondensatoren verlustbehaftet sind.
Bei der praktischen Ausführung der Prüfung werden an Stelle des Widerstandes R1 zur Erzielung mehrerer Meßbereiche mehrere dekadisch abgestufte, umschaltbare Widerstände verwendet, ebenso werden für C aus dem gleichen Grunde mehrere verschieden große umschaltbare Kondensatoren eingebaut.
Zeiger-Kapazitätsmesser
Dieser wird mit Vorteil dann verwendet, wenn größere Mengen gleichartiger Kondensatoren zu messen sind.
Nach Bild 32 erzeugt die an der Spannung U liegende Spule Si im Joch E ein Wechselfeld. In diesem bewegen sich die starr miteinander verbundenen Spulen S2 und S3.
Der zu messende Kondensator Cx ist in Reihe mit der Spule S3 geschaltet, wodurch in der Spule S3 ein Drehmoment im Uhrzeigersinn erzeugt wird. Werden jedoch die Spulen aus der Waagerechten herausgedreht, so wird in S2 eine mit dem Drehwinkel wachsende Spannung induziert, die ein entgegengesetztes Drehmoment erzeugt („elektrische Feder“).Der resultierende Zeigerausschlag ist nur abhängig von der Größe des Kondensators Cx, nicht aber von der Höhe und Frequenz der Meßspannung.
Die Messung der Kapazität (und der dielektrischen Verluste) von Kabeln, sowie von festem und flüssigem Hochspannungs-Isoliermaterial, von Isolatoren, Durchführungen, Hochspannungs- Apparaten usw. erfolgt durch die Hochspannungs-Meßbrücke nach Schering.
Hochspannungs-Meßbrücke nach Schering
Die Messung der Kapazität und des Verlustwinkels wird unter Hochspannung vorgenommen und zwar durch Vergleich des Prüflings mit einem verlustfreien Normal-Kondensator.
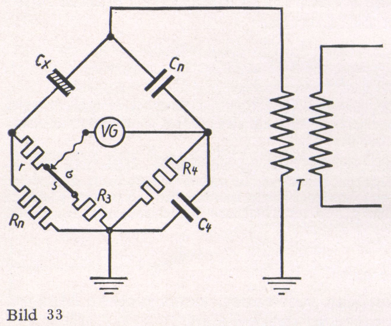
Bild 33 zeigt das Schaltprinzip; hierin bedeuten:
T Hochspannungs- Transformator,
Cx Meßobjekt (Kabel, Isolierstück usw.),
Cn verlustfreier Normalkondensator für Hochspannung,
Rn, r, R4 kapazitäts- und induktionsfreie feste Widerstände,
R3 kapazitäts- und induktionsfreier Regelwiderstand,
s Schleifdraht zur Feineinstellung,
C4 Kurbelkondensator für Niederspannung,
VG Vibrations-Galvanometer mit Nebengeräten.
Die Brücke wird am Widerstand R3 und Kondensator C4 so abgeglichen, daß das als Nullgerät dienende Vibrations-Galvanometer keinen Ausschlag mehr zeigt. Es können dann aus den Kapazitäts- und Widerstandswerten der 4 Brückenzweige die Kapazität und der dielektrische Verlustwinkel des Meßobjektes nach einfachen Formeln berechnet werden.
Der Ladestrom des Meßobjektes hängt ab von dessen Kapazität, der Betriebsspannung und der Kreisfrequenz. Die Höhe der zulässigen Betriebsspannung ist gegeben durch die Durchschlagfestigkeit des Meßobjektes Cx und des Kondensators Cn.
Die Vergleichskondensatoren Cn müssen frei sein von dielektrischen Verlusten. Diese Forderung wird von den Preßgas-Kondensatoren nach Schering- Vieweg erfüllt, die für Betriebsspannungen bis 500 kV hergestellt werden. Die beiden Kondensator-Belage werden durch 2 konzentrische Metallrohre gebildet, die so angeordnet sind, daß der Kapazitätswert scharf definiert ist.



