 |
 |
 |
Temperatur
|
Auszüge des Handbüchleins "Elektrische und wärmetechnische Messungen" der Firma Hartmann & Braun AG Frankfurt/Main, 2. Auflage, 1941 (H&B Druckschrift 481a / 20.000 / 6.41). Entsprechend UrhG §66 ist die Schutzfrist inzwischen abgelaufen (Stand von 2012), der Inhalt ist daher gemeinfrei. Das gescannte Büchlein findet sich im Abschnitt Schrifttum als PDF Datei.
|
|
|
Die allgemein bekannten Ausdehnungs-Thermometer (Quecksilber-Thermometer usw.) sind nur für einen begrenzten Temperaturbereich verwendbar. Demgegenüber kann mit den nachstehend beschriebenen elektrischen Temperatur-Meßeinrichtungen ein Bereich zwischen — 200 und + 3500°C erfaßt werden; außerdem besteht die Möglichkeit, das Ablesegerät soweit von der Meßstelle zu entfernen, wie es praktisch notwendig erscheint.
|
|
|
Messung mit elektr. Widerstands-Thermometern
|
für Temperaturen zwischen etwa — 200 und + 550 °C
Die Messung beruht darauf, daß sich der elektrische Widerstand bestimmter Metalle in genau bekannter Weise mit der Temperatur ändert; er wird mit steigender Temperatur größer, mit fallender kleiner. Der Widerstand einer solchen Drahtwicklung ist also ein Maß für die Temperatur. Zur Messung des Widerstandes wird meistens das Kreuzspul-Meßwerk verwendet.
|
|
|
Das Kreuzspul-Meßwerk hat zwei gekreuzte, starr miteinander verbundene Spulen, die im inhomogenen Feld eines Dauermagneten drehbar sind. Das Meßwerk spricht an auf das Verhältnis der Ströme in den beiden Spulen. Während der Strom in der einen Spule durch einen temperaturunabhängigen Widerstand konstant gehalten wird, wird der Strom in der anderen Spule vom Widerstand der Drahtwicklung bestimmt, die der Bild 81 Temperatur ausgesetzt ist. Dabei beeinflussen die im normalen Betrieb vorkommenden Schwankungen der Meßspannung die Anzeige nicht, da sie sich auf beide Spulen in gleicher Weise auswirken.
Die Meßeinrichtung setzt sich also stets zusammen aus der temperaturempfindlichen Wicklung (dem Widerstands - Thermometer), dem Empfangsgerät (Kreuzspulgerät) und einer Gleichstromquelle. Die Schaltung erfolgt nach Bild 81.
|
 |
|
|
|
Das Widerstands-Thermometer hat in der Regel für Temperaturen bis 150°C eine Wicklung aus Nickel, bis 550°C und außerdem für sehr niedrige Temperaturen aus Platin. Für den praktischen Gebrauch werden die Wicklungen in Schutzhüllen eingebaut, deren Ausführung sich nach dem Verwendungszweck und der Beanspruchung durch Druck, Temperatur und chemische Einflüsse richtet. Bild 82 zeigt ein Thermometer für Luft (Zimmerthermometer), Bild 83 ein druckfestes Einschraub-Thermometer für Behälter und Rohrleitungen.
|
 |
|
|
|
Die Ansprechzeit der Widerstands-Thermometer richtet sich hauptsächlich nach der Masse der Schutzhülle und dem Wärmeübergang von dem zu messenden Medium zum Thermometer. Für Messungen in Flüssigkeiten kann mit Halbwertzeiten von 0,5 ... 1 Minuten gerechnet werden, während Messungen in Gasen Halbwertzeiten bis zu mehreren Minuten erfordern. Unter Halbwertzeit ist hierbei die Zeit zu verstehen, in der die Thermometerwicklung die Hälfte der Temperaturänderung erreicht hat. Im allgemeinen laufen Temperaturvorgänge so träge ab, daß die Ansprechzeiten der Widerstands - Thermometer keine Rolle spielen. Bei schnell schwankender Temperatur wird in manchen Fällen die Messung zweckmäßiger mit Thermoelementen in geeigneter Ausführung durchgeführt, deren Ansprechzeit erheblich niedriger gehalten werden kann.
|
 |
|
|
|
Das Empfangsgerät kann als Anzeige-, Registrier- oder Regelgerät ausgebildet sein. Die Anzeigegeräte haben die bei elektrischen Geräten üblichen Formen. Bei Meßanlagen mit vielen Meßstellen lassen sich sämtliche Widerstands-Thermometer mit Hilfe eines geeigneten Umschalters auf ein einziges Anzeigegerät schalten, wodurch eine erhebliche Verbilligung der Meßanlage erzielt werden kann.
|
|
|
Die Registrierung wird gewöhnlich mit Punktschreibern vorgenommen, da die Meßgröße nur langsamen Änderungen unterworfen ist; außerdem ist der Eigenverbrauch der Punktschreiber im Verhältnis zu Linienschreibern sehr gering, so daß der Thermometerstrom klein gehalten und so eine zusätzliche Erwärmung des Widerstands- Thermometers vermieden wird. Punktschreiber zeichnen die einzelnen Meßwerte in gleichmäßigen Zeitabständen (von 10 ... 60 Sekunden) auf einem Schreibstreifen auf. Bei jeder Aufzeichnung drückt ein Fallbügel den freispielenden Zeiger auf ein Farbband (ähnlich wie bei der Schreibmaschine) und druckt dabei einen Punkt auf den Schreibstreifen. Der Zeitvorschub des Schreibstreifens wird so gewählt, daß sich die einzelnen Punkte fast lückenlos zu einer Kurve aneinanderreihen. Der Antrieb der Punktschreiber erfolgt durch einen kleinen Synchronmotor mit entsprechendem Übersetzungsgetriebe oder durch ein Uhrwerk mit Hand- oder Motoraufzug. Mehrfarbenschreiber haben eine Einrichtung zum elektrischen Umschalten auf die einzelnen Meßstellen, wobei gleichzeitig das der betreffenden Meßstelle zugeordnete Farbband selbsttätig unter den Zeiger geschoben wird.
Über Temperaturregelung siehe Temperaturregelung.
Als Meßbereich kann der innerhalb des Temperaturablaufes interessierende Bereich gewählt werden (z. B. 40 ... 100 oder 250 ... 450 °C usw.). Als Gleichstromquelle dient bei ortsfesten Anlagen zweckmäßig ein kleiner Trockengleichrichter zum Anschluß an das Wechselstromnetz. Der Strombedarf für jedes Meßwerk beträgt meist etwa 20 mA.
|
 |
|
|
|
Der Widerstand der Fernleitung muß bei der Eichung der Empfangsgeräte berücksichtigt werden. Da er sich im voraus meistens nicht genau angeben läßt, wird für die Eichung ein runder Wert angenommen (z. B. 3 Ohm) und auf der Skala vermerkt. Mit dem Gerät wird ein Abgleichwiderstand geliefert, der in die Leitung mit eingebaut wird. Nach der Leitungsverlegung wird von diesem soviel abgenommen, bis der Gesamtwiderstand 3 Ohm beträgt.
Als größter Widerstand der Fernleitung (Hin- u. Rückleitung) zwischen Empfangsgerät und Widerstands-Thermometer kann 10 Ohm angenommen werden. Sind die Verbindungsleitungen jedoch größeren Temperatur Schwankungen ausgesetzt, z. B. bei Freileitungen, so können nur kleinere Fernleitungs-Widerstände zugelassen werden, da die durch die Temperaturschwankungen entstehenden Widerstandsänderungen Fehler in die Messung bringen würden. Bei langen Freileitungen sind deshalb entweder größere Querschnitte oder noch besser die Kompensationsschaltung nach Bild 85 zu verwenden, bei der Änderungen des Fernleitungswiderstandes praktisch nicht in die Messung eingehen.
|
 |
|
|
|
Messung mit Thermoelementen
|
für Temperaturen bis etwa 1600 °C
Das Thermoelement besteht aus zwei Drähten aus verschiedenen Metallen bzw. Metall-Legierungen, die an einem Ende miteinander verschweißt oder verlötet sind. Wird die Schweißstelle erwärmt, so entsteht eine EMK (Thermospannung), deren Größe
von der Art der verwendeten Metalle und vom T emperaturunterschied zwischen der Schweißstelle (heiße Lötstelle, Meßstelle) und den kalten Enden (kalte Lötstelle, Vergleichsstelle) abhängt. Die Thermospannung wird mit einem Drehspul-Millivoltmeter (siehe Das Drehspulgerät) oder einem Kompensator gemessen.
Die Temperatur-Fernmeßeinrichtung mit Thermoelementen besteht also in der einfachsten Form aus dem Thermoelement als dem Fühlorgan und dem entfernt davon angebrachten Drehspulgerät als Empfangsgerät.
|
 |
|
|
|
Das Thermoelement
Die Wahl der Metalle (bzw. Metall-Legierungen) für die Elementdrähte richtet sich in erster Linie nach der zu messenden Temperatur. Der Querschnitt der Drähte ist für die EMK ohne Belang. Die höchste Meßgenauigkeit läßt sich mit Elementen aus Platin und einer Platinlegierung (z. B. Platinrhodium) erzielen.
In der Regel erhält das Thermoelement für den praktischen Gebrauch eine Schutzarmatur, deren Ausführung sich nach dem Verwendungszweck und der Beanspruchung durch Temperatur, Druck und chemische Einflüsse richtet. Bild 87 zeigt eine (unten aufgeschnittene) Armatur, bei der die Drähte des Thermoelementes durch Keram-Röhrchen gegeneinander isoliert in einem gemeinsamen, gasdichten Keramrohr liegen, das seinerseits vom eigentlichen Schutzrohr umgeben ist. Die Enden der Drähte sind an eine Anschlußdose geführt. Mit Rücksicht auf die Vielseitigkeit der Meßmedien, Einbaumöglichkeiten usw. ist es nicht möglich, in diesem kurzen Rahmen allgemeine Angaben für die Auswahl der Schutzhüllen zu machen. Die Schutzhülle ist jedoch von ausschlaggebender Bedeutung für die Lebensdauer des Thermoelements und es ist daher immer zweckmäßig, die Beratung des Lieferwerkes in Anspruch zu nehmen.
|
 |
|
|
|
Die Schweißstelle des Thermoelementes stellt (im Gegensatz zur Wicklung des Widerstands-Thermometers) eine kleine punktförmige Masse dar. Sollen Messungen schnell veränderlicher Temperaturen durchgeführt werden, so kann die Schweißstelle unten in das (nicht zu dick zu wählende) Schutzrohr eingelötet werden, so daß guter Wärmeübergang gewährleistet ist, oder es kann bei nicht zu hohen Temperaturen und nicht aggressiven Meßmedien ganz auf die Schutzhülle verzichtet werden. Wird die Schweißstelle als kleines Plättchen ausgebildet so kann damit die Temperatur von geraden Oberflächen gemessen werden (Bild 88)
|
 |
|
|
|
Die Ausführung nach Bild 89 dient zur Messung der Oberflächen-Temperatur von Walzblöcken aus Leichtmetall. Das Thermoelement hat zwei Spitzen aus verschiedenen Metallen, die bei der Messung durch einen leichten Schlag in den Metallblock gedrückt werden, wobei das warme Metall zusammen mit den Spitzen die Heißlötstelle darstellt.
|
 |
|
|
|
Das Empfangsgerät
|
Zur Messung der Thermospannung dienen meist Drehspul-Millivoltmeter, die in Grad Celsius oder Millivolt geeicht sind und für Anzeige, Registrierung oder Regelung ausgebildet werden können. Der Widerstand der Verbindungsleitungen zwischen Thermoelement und Drehspulgerät wird bei der Eichung berücksichtigt.
Bei Meßanlagen mit vielen Meßstellen lassen sich die Thermoelemente mit Hilfe eines geeigneten Umschalters auf ein einziges Empfangsgerät schalten, wodurch eine erhebliche Verbilligung der Meßanlage erzielt wird.
Für die Registrierung werden vornehmlich Punktschreiber verwendet (siehe Seite 58); der Anschluß von Linienschreibern ist mit Rücksicht auf ihren hohen Eigenverbrauch nur unter Verwendung einer geeigneten Verstärker-Einrichtung, z. B. des auf Seite 52 beschriebenen Fotozellen-Kompensators möglich. Zur Registrierung schnell veränderlicher Temperaturen werden in besonderen Fällen (z. B. bei Erprobungsmessungen in Flugzeugen) optische Schreiber verwendet. Bei diesen hat das Drehspul-Millivoltmeter an Stelle des Zeigers einen kleinen Spiegel, von dem ein von einer Projektionslampe erzeugter Lichtstrahl auf einen lichtempfindlichen Schreibstreifen geworfen wird. Dank der geringen Masse des Spiegels wird neben großer Empfindlichkeit kleine Einstellzeit erreicht.
Über Temperatur-Regelung siehe Temperaturregelung.
Häufig interessiert innerhalb eines Temperaturablaufes nur ein ganz bestimmter enger Bereich. In diesem Fall wird der Thermospannung eine Hilfsspannung entgegengeschaltet, die die Thermospannung zum Teil auf hebt (halb- potentiometrische Schaltung). Beträgt z. B. die Thermospannung 10 mV, so kann durch eine Gegenspannung von 5 mV erreicht werden, daß das Anzeigegerät über den ganzen Skalenumfang nur den Bereich 5 ... 10 mV umfaßt. Die Gegenspannung kann durch Vergleich mit einem Normalelement sehr genau bestimmt werden, so daß die Meßgenauigkeit in demselben Maße steigt, in dem der Meßbereich unterdrückt wird.
Für sehr genaue Messungen der Thermospannung (z. B. Kontrollmessungen) werden Kompensatoren verwendet; dem Thermoelement wird während der Messung kein Strom entnommen, so daß auch der Einfluß des Widerstandes im Meßkreis herausfällt.
|
|
|
Die Kompensationsmessung beruht auf dem Vergleich der unbekannten Thermospannung mit einer bekannten Spannung. Im Bild 90 ist das allgemeine Prinzip dargestellt. Die EMK des Thermoelements wird gegen einen Spannungsabfall geschaltet, der durch einen genau eingestellten Hilfsstrom an einem Widerstand erzeugt wird; der Spannungsabgriff wird so lange geändert, bis beide Spannungen gleich sind, d. h. bis das im Stromkreis der beiden Spannungen liegende Galvanometer keinen Ausschlag mehr zeigt. Die Einstellung des Hilfsstromes, die vor der eigentlichen Kompensation vorzunehmen ist, kann (wie beim Lindeck-Rothe- Kompensator) durch einen genauen Strommesser oder wie beim nachstehend beschriebenen tragbaren H&B-Kompensator mit Hilfe eines Normalelementes erfolgen.
|
 |
|
|
|
Die grundsätzliche Schaltung des tragbaren H&B-Kompensators zeigt Bild 91. Als Bezugsnormal gilt ein Normalelement NE, das im unbelasteten Zustand stets eine genaue, gleichbleibende Spannung (etwa 1,0183 Volt bei 20° C) besitzt. Da das Normalelement nicht belastet werden darf, wird die Messung auf dem Umweg über einen Hilfsstomkreis vorgenommen. Als Hilfsstromquelle dient eine Trockenbatterie B.
Die Einstellung des Hilfsstromes J wird in Stellung I des Umschalters U mit dem Regelwiderstand Rr vorgenommen. Sie ist vollendet, wenn das Galvanometer G keinen Ausschlag mehr zeigt, wenn also der Spannungsabfall am festen Widerstand Rn gleich ist der EMK des Normalelementes NE.
Zur Messung der EMK des Thermoelements wird (in Stellung II des Umschalters U) der Stufenwiderstand Rt sowie der Schleifdraht Rs verstellt, bis das Galvanometer G keinen Ausschlag mehr zeigt; der Spannungsabfall an den Teilwiderständen rt und rs ist dann gleich der EMK des Thermo-elementes. Es ist alsoUx = J . (rt + rs)Bei dem ausgeführten Gerät kann Ux unmittelbar an der Kurbel- und Schleifdrahtstellung abgelesen werden. Weiter hat das Gerät Zusatzeinrichtungen zur Eichung und Prüfung von Millivoltmetern. Von besonderer Bedeutung für die Temperaturmessung mit Thermoelementen ist die selbsttätige Kompensation durch den Fotozellen-Kompensator. Dieser bewirkt die verzögerungs- und verzerrungsfreie Verstärkung kleiner Thermospannungen und NE ermöglicht so deren genaue fortlaufende Messung mit Empfangsgeräten von hohem Leistungsverbrauch, d. h. von großer Einstellkraft und kurzer Einstelldauer. Wirkungsweise des Fotozellen-Kompensators siehe Der Fotozellen-Kompensator "Potentiolux".
|
 |
|
|
|
Die Ausgleichsleitungen
|
Wie eingangs gesagt, wird bei der Temperaturmessung mit Thermoelementen nicht die absolute Temperatur, sondern die Temperaturdifferenz zwischen Meß- und Vergleichsstelle erfaßt. Zur Erzielung einer exakten Messung muß also die Temperatur der kalten Lötstelle genau bekannt sein. Da die kalte Lötstelle, d. h. die Anschlußklemmen des Thermoelements durch Wärmeleitung oder Strahlung miterwärmt wird, wird das Thermoelement durch isolierte Drähte aus dem gleichen (bzw. thermoelektrisch gleichen) Material künstlich verlängert und die Kaltlötstelle auf diese Weise an einen Ort mit normaler Raumtemperatur verlegt. Da diese in der Regel 20° C beträgt, ist es üblich, die Skala der Anzeigegeräte nicht bei Null, sondern bei 20° C beginnen zu lassen. Genaue Konstanthaltung der Kaltlötstellen - Temperatur läßt sich erreichen, wenn die Ausgleichsleitungen in einen mit elektrischer Beheizung und selbsttätiger Temperaturregelung ausgerüsteten Kasten, einen sog. Thermostaten eingeführt werden, dessen Temperatur über der höchsten Raumtemperatur liegt (in der Regel 50° C). In besonderen Fällen kann als Thermostat eine mit schmelzendem Eis gefüllte Thermosflasche verwendet werden, dessen Temperatur bekanntlich genau 0° C beträgt.
|
 |
|
|
|
Messungen mit Strahlungspyrometern
|
Strahlungspyrometer werden in erster Linie für hohe Temperaturen verwendet, die mit Thermoelementen nicht mehr zu erfassen sind, weiter auch dann, wenn der Verschleiß an Schutzrohren das normale Maß übersteigt oder eine Messung mit Thermoelementen nicht möglich ist. Das tragbare Teilstrahlungspyrometer „Pyropto“ eignet sich nebenbei als bequemes Kontrollgerät für thermoelektrische Meßanlagen.
|
|
|
Gesamtstrahlungspyrometer „Pyrradio“
für Temperaturen zwischen 600 und 2000°C Das Gerät beruht auf der Messung der Gesamtstrahlung eines „schwarzen Körpers“; das ist ein Körper, der alle auftreffenden Strahlen aufsaugt und keine zurückwirft, andererseits aber bei jeder Temperatur ein Höchstmaß an Strahlung aussendet. Es wird vorwiegend für Messungen an geschlossenen Öfen verwendet, die als „schwarze Körper“ anzusprechen sind. Der Anbau erfolgt entweder vor einem Loch am Ofen oder druckdicht an die Ofenwand selbst. Dabei wird meistens ein einseitig geschlossenes Glührohr vor das „Pyrradio“ gesetzt, dessen Boden anvisiert wird.
|
|
|
Das Meßprinzip zeigt Bild 93. Die Gesamtstrahlung des schwarzen Körpers wird durch eine Linse Lt aus hitzebeständigem Glas auf der geschwärzten Heißlötstelle des Thermoelements P gesammelt. Die dadurch erzeugte Erwärmung der Heißlötstelle ist ein Maß für die Temperatur des glühenden Körpers. Die durch die Erwärmung entstehende Thermospannung wird an einem entfernten und durch isolierte Drähte Bild 93 mit dem Thermoelement verbundenen Drehspulgerät gemessen. Die Linse La und die Öffnung M dienen zum Anvisieren des Glühgutes.
Da die Wärmestrahlung mit der vierten Potenz der Temperatur wächst, ergibt sich eine am Anfang erheblich verengte und gegen das Ende immer weiter werdende Skalenteilung. Diese bei anderen Geräten unerwünschte Teilung ist jedoch hier sehr günstig, da die breite Teilung im Gebrauchsbereich liegt. — Im Gegensatz zu thermoelektrischen Pyrometern beschädigen gelegentliche Temperatur Überschreitungen das „Pyrradio“ nicht. Ein weiterer Vorzug ist in der geringen thermischen Trägheit zu erblicken.
Eine Bimetallblende macht die Temperaturanzeige unabhängig von der Eigentemperatur des Pyrradio bis zu 120° C; bei höherer Erwärmung ist das Gerät zu kühlen.
Für die Anzeige, Registrierung und Regelung der Meßwerte werden die gleichen Geräte wie bei Thermoelementen des vorigen Abschnittes verwendet.
|
 |
|
|
|
Teilstrahlungspyrometer "Pyropto"
|
für Temperaturen zwischen 700 und 3500° C
Die Temperaturmessung beruht auf dem Helligkeitsvergleich eines elektrisch beheizten Glühfadens mit dem zu messenden Glühgut bei einer bestimmten Wellenlänge. Wird der Glühfaden auf die gleiche Helligkeit gebracht wie das Glühgut, so ist die am Glühfaden angelegte Spannung ist ein Maß für die Temperatur. Ein an die Klemmen des Glühfadens angelegter Spannungsmesser kann also unmittelbar in Grad Celsius geeicht werden. Die Vergleichslampe sitzt im Strahlengang eines Fernrohres, mit dem das Glühgut anvisiert wird. Sie wird von einem Sammler gespeist. Die Einstellung auf die Helligkeit erfolgt mit Hilfe eines Regelwiderstandes.
Bei Temperaturen oberhalb 800° C wird vor die Okularlinse ein Rotfilter geschaltet. Die Erweiterung der Meßbereiche nach oben erfolgt durch Zwischenschaltung von Graugläsern zwischen Linse und Glühlampe.
Die Messungen sind nur dann streng richtig, wenn der anvisierte Körper wie ein „schwarzer Körper“ strahlt, d. h. wenn er sich in einem Ofen ohne große Öffnung befindet. Bei Messung außerhalb des Ofens wird die Temperatur zu niedrig gemessen und ist dann an Hand einer Berichtigungstafel zu erhöhen.
Das Pyropto wird zur Messung von Glühgut in Öfen, für Blöcke und ausfließendes Material verwendet. Zur Messung der Flammentemperatur ist es jedoch nicht geeignet.
|
 |
|
|
|
Temperaturregelung
|
Aufgabe der Temperaturregler ist es, in elektrischen sowie gas- und ölbeheizten Öfen, in Bädern, Wärme speichern usw. die Temperatur durch entsprechende Steuerung der Energiezufuhr entweder auf einem bestimmten Wert konstant zu halten oder den Temperaturverlauf nach einem vorher festgelegten Programm einzuhalten (Programmregler).
|
|
|
Die Meßwerke der Regler und die Meßmethoden sind die gleichen wie bei den Anzeige- und Schreibgeräten. Das zuvor hier Gesagte gilt also auch für die Regler.
|
|
|
Bei hohen Ansprüchen an die Meßgenauigkeit können Regler zum Anschluß an Thermoelemente als „Kompensations- Regler“ ausgeführt werden. Das Drehspul- Meßwerk wird in Reihe mit dem Thermoelement in den Diagonalzweig einer Brükkenschaltung gelegt und die Brücke so abgeglichen, daß beim Sollwert die EMK des Thermoelementes durch eine gleich große Spannung kompensiert wird. Solange der Sollwert vorhanden ist, fließt also im Stromkreis des Thermoelementes kein Strom und die Messung ist unabhängig von dem Widerstand im Meßkreis. Jede Abweichung vom Sollwert wird vom Zeiger auf der Skala angegeben. Als Hilfsspannung wird ein Spezial-Trocken- element verwendet, das mit Hilfe eines Normalelementes eingeregelt wird.
|
 |
|
|
|
Fallbügelregler
|
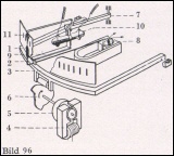
Mechanischer Aufbau der Regler Bild 96 zeigt das Prinzip des Fallbügelreglers. Um trotz der geringen Einstellkraft des Meßwerkes eine kräftige und zuverlässige Kontaktgabe für die Betätigung des Steuerorganes einzuleiten, wird der Zeiger nur zur Steuerung herangezogen, während eine fremde Energiequelle die nötige Kraft liefert. Ein kleiner Motor (4) mit dem Untersetzungsgetriebe (5) treibt die Kurvenscheibe (6). Von dieser wird in regelmäßigen Zeitabständen (z. B. alle 20 Sekunden) der Tastbügel (3) gehoben und gesenkt. Dabei wird die Stellung des vor der Skala frei schwingenden Bild 96 Meßwerkzeigers (1) abgetastet. Kommt der Zeiger in den Bereich des eingestellten Sollwertes (unter den Bügel 9), so wird der Bügel gehoben, die starr daran befestigte Quecksilberröhre (10) gekippt und dadurch der Stromkreis geschlossen (bzw. geöffnet). Mit dem Tragarm (7) ist ein Sollwertzeiger (11) verbunden, mit dem sich die Kontaktgabe auf einen bestimmten Wert der Skala einstellen läßt.
|
 |
|
|
|
Da der Meßwerkzeiger bei jedem Hub des Fallbügels nur kurze Zeit festgehalten wird, und in der übrigen Zeit frei schwingt, ist es möglich mehr als eine Schaltröhre anzubringen und dadurch die Energiezufuhr in Stufen vorzunehmen. — Das Schaltwerk kann außerdem so ausgebildet werden, daß die einmal vom Tastbügel hergestellte Schaltung der Kippröhre bestehen bleibt (Dauerkontakt).
Bild 97 zeigt die Wirkungsweise des Programmreglers. Dieser hat als zusätzliche Einrichtung zu dem Fallbügelregler den Programmgeber, der für die zeitgenaue selbsttätige Einstellung der Sollwerte nach einem vorher festgelegten Programm sorgt. Das Regelprogramm ist auf einer Scheibe aufgetragen, die während der Dauer des Programms, die beliebig gewählt werden kann, eine Umdrehung macht. Auf dem Rande der Scheibe gleitet ein Fühlhebel, der mit dem Sollwerteinsteller des Reglers mechanisch verbunden ist. Der Antrieb der Programmscheibe erfolgt durch einen kleinen Synchronmotor mit einem der Programmdauer angepaßten Untersetzungsgetriebe.
|
 |
|
|
|
Temperaturregelung bei elektrischen Öfen
|
Bei kleineren elektrischen Öfen bis etwa 6 kW reicht die Schaltleistung der Quecksilberröhren zur direkten Schaltung des Heizstromes aus, bei größeren Öfen wird von der Schaltröhre ein Schaltschütz gesteuert, das die Schaltung der Heizleistung übernimmt.
Die einfachste Art der Regelung ist dann gegeben, wenn die elektrische Heizung beim Unterschreiten der Solltemperatur ein- und beim Überschreiten ausgeschaltet wird. Diese Methode kann jedoch nur bei kleineren Öfen verwendet werden. Bei größeren Öfen würde die in der Masse des Heizkörpers und der Ofenwände aufgespeicherte Wärme den Ofeninhalt auch nach der Abschaltung (d. h. über die Solltemperatur hinaus) heizen; der umgekehrte Vorgang würde sich bei der Abkühlung abspielen, so daß also eine periodische Über- und Untererwärmung, d. h. ein Pendelvorgang eintreten würde. Die Regelung erfolgt deshalb bei größeren Öfen zweckmäßig in zwei oder mehreren Stufen und zwar derart, daß ein Teil der Heizung bereits vor Erreichung des Sollwertes abgeschaltet wird. Bei Drehstrom läßt sich Regelung in zwei Stufen leicht durch Sterndreieck-Schaltung erzielen.
|
|
|
Temperaturregelung bei Öfen mit Gas-, Öl-, Dampf- und Heißwasser-Heizung
Das durch den Regler gesteuerte Drosselorgan für das Heizmedium wird grundsätzlich in eine Umgehungsleitung eingebaut, so daß also nur die Spitzenmenge geregelt wird, während die in der Hauptleitung fließende Teilmenge konstant bleibt (Bild 98). Als Steuerorgan kann ein Magnetventil Bild 98 oder ein motorgetriebenes Steuerorgan(Ventil oder Drosselklappe) verwendet werden. Ähnlich wie bei elektrischen Öfen kann auch hier die Heizung in zwei oder mehreren Stufen vorgenommen werden. Bei Verwendung eines motorgetriebenen Drosselorgans bestehen außerdem verschiedene Schaltmöglichkeiten, mit deren Hilfe ein gleichmäßiger Temperaturverlauf erzielt werden kann.
|
 |
|
|
|
Bei kleineren Öfen genügt als Steuerorgan häufig das Magnetventil. Bei größeren Öfen würde der Regelvorgang bei plötzlicher Änderung der Energiezufuhr leicht ins Pendeln geraten (vgl. Seite 67). Deshalb wird hier ein motorgetriebenes Drosselorgan verwendet. Das Öffnen und Schließen kann in einem Zuge oder schrittweise erfolgen. In letzterem Falle wird das Drosselorgan bei jedem Niedergang des Fallbügels nur um einen kleinen Betrag verstellt, wie im Mengendiagramm (Bild 99). dargestellt ist Mit dieser Schaltung lassen sich in einem großen Teil der Fälle große Regelgenauigkeiten erzielen. Bei sehr großen Öfen und sehr hohen Ansprüchen an Genauigkeit wird häufig die Verwendung der „elastischen Rückführung“ erforderlich. Diese wirkt grundsätzlich folgendermaßen: Um auf jeden Fall eine Überregelung oder ein Pendeln zu verhüten, wird der Meßwerkzeiger des Reglers nach der ersten Kontaktgabe durch elektrische Beeinflussung künstlich sofort wieder in die Sollwertstellung zurückgeführt; dem Regler wird also sozusagen der Sollwert vorgetäuscht. Mit der gleichen Geschwindigkeit, mit der die Meßgröße dem Sollwert zustrebt, nimmt die elektrische Beeinflussung wieder ab, so daß der Zeiger in der Sollstellung bleibt, wenn sich inzwischen nicht die Meßgröße geändert hat. In diesem Fall wird das Drosselorgan vom Regler erneut verstellt und das Spiel beginnt von neuem. Die praktische Ausführung der elastischen Rückführung richtet sich nach dem Meßwerk und nach der Regelaufgabe.
|
 |
|
|
|
(C) 2012-2025 - Alle Rechte vorbehalten |
|
Diese Seite drucken
|